8-Bit ALU
Arithmetic & Critical Logic

A Verilog-based design capable of performing 16 distinct arithmetic and logical operations for digital processors.

8-Bit Architecture

16 Operations

Verilog Design

Logic Flow

From OpCode to Result

⌨️
Inputs (A, B)
🎛️
OpCode Decode
⚙️
Execute Logic
🚩
Result & Flags

Architecture & Verification

Simulations and Block Diagrams

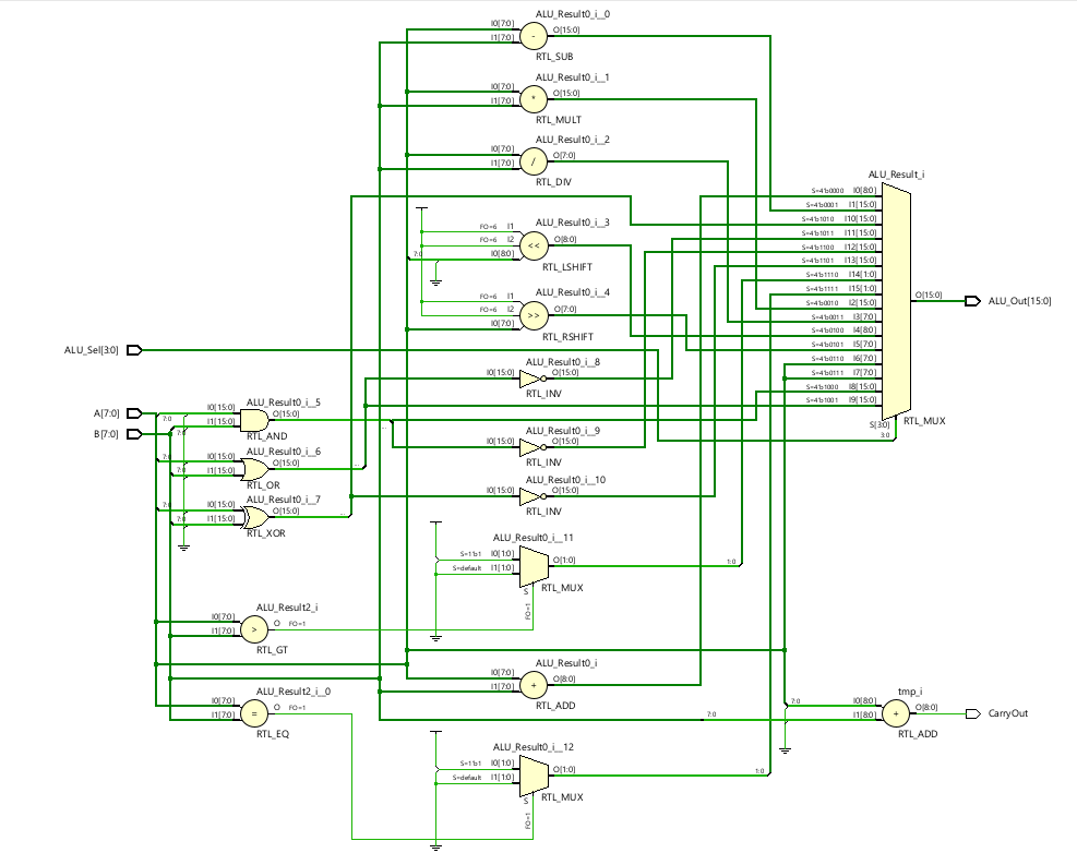
ALU Block Diagram
Data Flow Design
Simulation Results

Project Overview

Comprehensive breakdown of the ALU design.

Arithmetic Logic Unit

An 8-bit Arithmetic Logic Unit (ALU) is the fundamental building block of a computer processor (CPU). This project implements a fully functional ALU in Verilog HDL, capable of performing essential arithmetic calculations (addition, subtraction, multiplication) and logical operations (AND, OR, XOR, etc.) on 8-bit binary numbers.

Core Operations

  • Arithmetic: Addition, Subtraction, Multiplication, Division.
  • Logical: AND, OR, XOR, NOR, NAND, XNOR.
  • Shifting: Logical Shift Left/Right, Rotate Left/Right.
  • Comparison: Greater Than, Equal To checks.

Design Methodology

Input Definition Two 8-bit operands (A, B) and a 4-bit OpCode selector.
Combinational Logic Efficient Case statements to route operations.
Output Handling 16-bit result (for multiplication) & Status Flags (Zero, Carry).

Project Info

  • Category: VLSI Design
  • Date: May - July 2022
  • Project URL: GitHub Link

Tools Used

Verilog HDL Xilinx Vivado ModelSim