Floating Point Adder
Power Efficient VLSI Design

Optimizing mantissa addition in IEEE 754 single precision format using a hybrid RCA-CLA approach for reduced power and area.

Power Efficient

Area Optimized

Low Delay

Design Process

Step-by-step IEEE 754 implementation

🔢
Inputs (A, B)
🔓
Decode & Align
Mantissa Add
📏
Normalize

Architecture & Results

Block diagrams and performance analysis

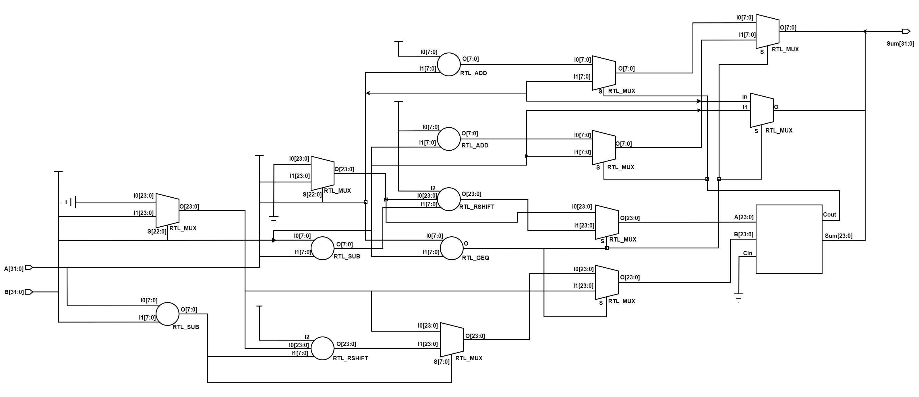
Block Diagram
FPA Schematic
Simulation Waveform
Addition Results
Area Analysis
Power Analysis
Delay Analysis

Project Overview

Technical details and design methodology.

Hybrid RCA-CLA Design

Floating-point addition is a critical operation in computer architecture but often incurs high costs in power, area, and delay. This project optimizes mantissa addition by implementing a hybrid approach that combines the simplicity of Ripple Carry Adders (RCA) with the speed of Carry Look-Ahead Adders (CLA). This hybrid design aims to balance performance and efficiency for Single Precision IEEE 754 floating-point operations.

Implementation Steps

  • Decode IEEE 754: Extract sign, exponent, and mantissa; normalize mantissa with implicit bit.
  • Align Exponents: Compare exponents and shift the smaller mantissa to align using a barrel shifter logic.
  • Perform Addition: precise mantissa addition using the hybrid RCA-CLA adder handling sign and overflow.
  • Normalize & Encode: Post-addition normalization, rounding, and re-encoding into standard IEEE 754 format.

Key Features

Hybrid Adder 24-bit Mantissa Adder utilizing both RCA and CLA logic.
Components 4-bit CLA, 4-bit RCA, and 20-bit RCA modules.
Verification Comprehensive Test Benches to validate correctness.

Project Info

  • Category: VLSI Design
  • Period: Aug 2022 - May 2023
  • Project URL: GitHub Link

Tools & Tech

Verilog HDL Xilinx Vivado ModelSim